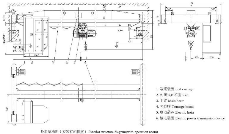
16吨电动单梁糖心视频免费看机是吊重为16吨的糖心视频免费看设备,广泛运用于机械设备制造生产车间、原油、石油化工、海港、铁路线、民用航空、发电厂、造纸工业、装饰建材、电子器件等领域的生产车间、库房、石料场等运用頻率低或额定值吊重吊装频次少的场地。我为各位共享下16吨电动单梁糖心视频免费看机性能参数。


相关推荐
联系人:徐经理
手机:13782575673
电话:0373-8611375
邮箱:hnzyaqqz@126.com
官网:www.mserw.com
地址:河南长垣糖心视频免费看工业园区华豫大道中段